Shelly Plus 2PM UL

Identificazione del dispositivo
Nome del dispositivo: Shelly Plus 2PM UL
Modello del dispositivo: SNSW-002P15UL
SSID del dispositivo: ShellyPlus2PM-XXXXXX
Breve descrizione
Il Shelly Plus 2PM UL è un interruttore intelligente a 2 canali di piccole dimensioni certificato UL con misurazione della potenza e controllo della copertura, che consente il controllo remoto degli apparecchi elettrici tramite telefono cellulare, tablet, PC o sistema di domotica. Può funzionare in modo autonomo in una rete Wi-Fi locale oppure può essere gestito tramite servizi di domotica cloud.
Il Shelly Plus 2PM UL può essere accessibile, controllato e monitorato da remoto da qualsiasi luogo in cui l'Utente abbia connettività Internet, purché il dispositivo sia connesso a un router Wi-Fi e a Internet.
Può essere installato in scatole elettriche standard a muro, dietro prese di corrente e interruttori della luce o in altri spazi limitati.
Il Shelly Plus 2PM UL dispone di un'interfaccia Web integrata che può essere utilizzata per monitorare e controllare il dispositivo, nonché per regolarne le impostazioni.
Applicazioni principali
Residenziale
MDU (Unità abitative multiple - appartamenti, condomini, hotel, ecc.)
Piccolo commerciale (piccoli edifici per uffici, piccoli negozi/ristoranti/stazioni di servizio, ecc.)
Governo/municipale
Università/collegi
Integrazioni
Capacità supportate da Amazon Alexa
Sì
Caratteristiche supportate da Google Smart Home
Sì
Capacità supportate da Samsung SmartThings
Sì
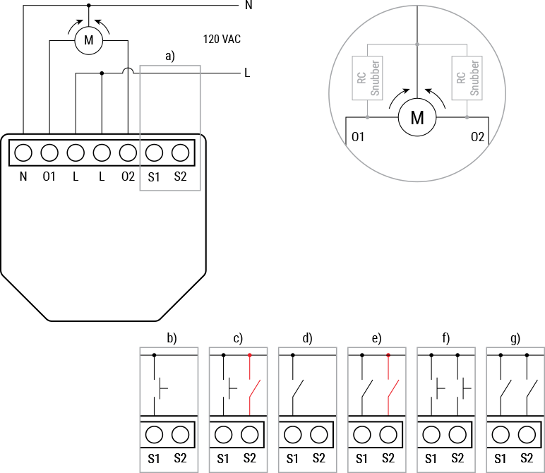
Schema interno semplificato

Interfacce elettriche del dispositivo
Ingressi
2 ingressi per interruttore/pulsante su morsetti a vite: S1 e S2
3 ingressi di alimentazione su morsetti a vite: 1 N (+) e 2 L (Ʇ)
Uscite
2 uscite relè con misurazione della potenza su morsetto a vite
Interfaccia aggiuntiva
Interfaccia seriale proprietaria Shelly

⚠ATTENZIONE! Alta tensione sull'interfaccia aggiuntiva quando il dispositivo è alimentato!
Connettività
Wi-Fi
Bluetooth
Caratteristiche di sicurezza
Protezione da surriscaldamento
Protezione da sovratensione
Protezione da sovracorrente
Protezione da sovraccarico
Rilevamento ostacoli (modalità copertura)
Interruttore di sicurezza (modalità copertura)
Tipi di carico supportati
Resistivo (lampadine a incandescenza, dispositivi di riscaldamento)
Capacitivo (banchi di condensatori, apparecchiature elettroniche, condensatori di avviamento motore)
Induttivo con RC Snubber (driver per luci LED, trasformatori, ventilatori, frigoriferi, condizionatori d'aria)
Interfaccia utente
Ingressi
-
Un pulsante (Reset)
Premere e tenere premuto per 5 secondi per abilitare il punto di accesso del dispositivo e la connessione Bluetooth.
Premere e tenere premuto per 10 secondi per il reset di fabbrica del dispositivo.
Uscite
-
Indicazione LED (monocolore)
AP (Access Point) abilitato e Wi-Fi disabilitato:
1 secondoACCESO/ 1 secondoSPENTOWi-Fi abilitato, ma non connesso a una rete Wi-Fi:
1 secondoACCESO/ 3 secondiSPENTOConnesso a una rete Wi-Fi:
CostantementeACCESOCloud abilitato, ma non connesso:
1 secondoACCESO/5 secondiSPENTOConnesso a Shelly Cloud:
CostantementeACCESOOTA (Aggiornamento Over the Air):
½ secondoACCESO/ ½ secondoSPENTOPulsante premuto e tenuto per 5 secondi:
½ secondoACCESO/ ½ secondoSPENTOPulsante premuto e tenuto per 10 secondi:
¼ secondoACCESO/ ¼ secondoSPENTO
L'elenco sopra inizia con lo stato iniziale del dispositivo e la priorità più bassa. Ogni stato successivo annulla il precedente.
Specifiche
Tipo |
Valore |
|---|---|
Fisiche | |
Dimensioni (AxLxP): |
37x42x16 mm / 1.46x1.65x0.63 in |
Peso: |
|
Montaggio: |
Montaggio a incasso |
Coppia massima morsetti a vite: |
0.25 Nm / 2.2 bin |
Sezione conduttore: |
1.0 a 2.5 mm² / 20 a 14 AWG |
Lunghezza spelata conduttore: |
5 a 6 mm / 0.20 a 0.24 in |
Materiale guscio: |
Plastica |
Colore: |
Nero |
Ambientali | |
Temperatura ambiente: |
-20 °C a 40 °C / -5 °F a 105 °F |
Umidità |
30 % a 70 % UR |
Altitudine max. |
2000 m / 6562 ft |
Elettriche | |
Alimentazione: |
120 VAC, 50/60Hz |
Consumo energetico: |
< 1.4 W |
Valori circuiti di uscita | |
Tensione massima commutazione AC: |
120 V |
Tensione massima commutazione DC: |
N/D |
Corrente massima commutazione AC: |
8 A (per canale), 16 A (totale) |
Corrente massima commutazione DC: |
N/D |
Sensori, misuratori | |
Sensore temperatura interna: |
Sì |
Voltmetro (AC) |
Sì |
Amperometro (AC) |
Sì |
Radio | |
Banda RF: |
2400 - 2495 MHz |
Potenza RF max.: |
<20 dBm |
Protocollo Wi-Fi: |
802.11 b/g/n |
Portata Wi-Fi: |
Fino a 30 m / 100 ft in ambienti interni e 50 m / 160 ft all'aperto |
Protocollo Bluetooth: |
4.2 |
Portata Bluetooth: |
Fino a 10 m / 33 ft in ambienti interni e 30 m / 100 ft all'aperto |
MCU | |
CPU: |
ESP32-U4WDH |
Flash: |
4 MB |
Capacità firmware | |
Programmazioni: |
20 |
Webhooks (azioni URL): |
20 con 5 URL per hook |
Scripting: |
Sì |
MQTT: |
Sì |
CoAP: |
No |
Diagrammi di cablaggio base
![]() Modalità interruttore a doppio canale, alimentazione AC |
![]() Modalità copertura |
Legenda
Morsetti |
Fili |
||
|---|---|---|---|
N |
Morsetto neutro |
N |
Filo neutro |
L |
Morsetto fase (120 VAC) |
L |
Filo fase (120 VAC) |
O1, O2 |
Morsetti uscita circuito carico |
||
S1, S2 |
Morsetti ingresso interruttore |
||
Risoluzione problemi
...
Guida interfaccia Web
Leggi la guida all'interfaccia web Shelly Plus 2PM, Plus 2PM UL
Componenti e API
Guida utente stampata
Guida utente e sicurezza bilingue stampata Shelly Plus 2PM UL.pdf

